Réparation Ampli de guitare Schaller GS1000
La restauration d'un ancien ampli Schaller GS1000 est présentée dans
La restauration d'un ancien ampli Schaller GS1000 est présentée dans
Plusieurs réalisations différentes d'un ampli classe AB de qualité audiophile
Les guirlandes à LED peuvent fonctionner directement sur le secteur
Les nostalgiques du Super Ordimini se souviennent probablement de ce
Qu'est-ce qui coûte le plus cher entre l'eau consommée et
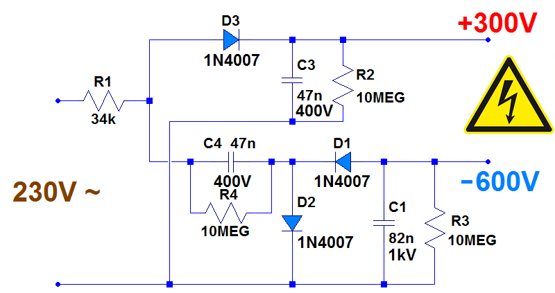
Il arrive qu'on ait besoin d'une tension négative pour réaliser
La haute tension des lampes anti moustiques et ses spectaculaires
Les modifications nécessaires pour utiliser des EL34 à la place
Cet article présente la réparation d'un ampli à lampes et
La réparation d'amplis à tubes - ici un Dynacord Eminent